消防改造
消防維保
主機維修
聯系我們
- 聯系人:郭經理
- 傳真:010-69552656
- 電話:400-0346-119
- 電話:010-57113119
- 郵箱:506665119@qq.com
- 地址:北京通州區新華北路117號
余壓監控系統是做什么的
來源:北京消防改造 時間:2019-07-05 09:54:36
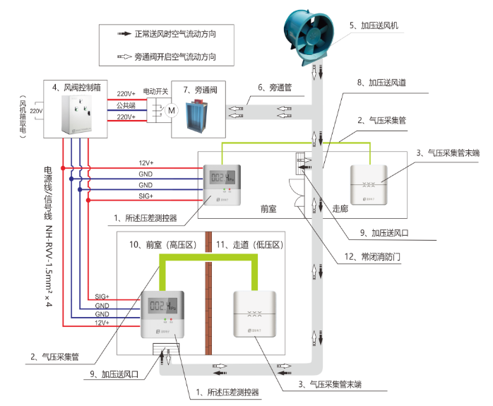
余壓監控系統,也叫壓差測控系統、余壓測控系統、或智能余壓監控系統,是高層余建筑正壓送風系統中的一個調節消防前室或樓梯間余壓值的一套系統性裝置。壓監控系統中包含余壓監控系統主機、余壓探測器、氣管、氣管末端等。

什么是余壓監控系統
余壓監控系統主機,就是一個控制風機旁通閥的風閥控制箱,余壓監控系統主機內含斷路器、電源、接觸器、接線端子等元件。風閥控制箱從風機控制箱取AC220V消防電,通過電源轉換器將電壓轉化成直流安全電壓給前室余壓探測器作為供電電源。風閥控制箱通過接線端子與風機旁通閥的電動執行器連接,并可以控制旁通閥的開啟與關閉動作。
余壓探測器是整個系統的末端神經器件,負責前室和樓梯間余壓值的測量和控制。余壓探測器通過內置的探測孔檢測前室或樓梯間氣壓,走道的氣管末端連接氣管并接通至余壓探測器低壓檢測端。當火災發生,余壓探測器實時檢測前室與走道或樓梯間與走道的壓差。當前室余壓值大于30帕,啟動泄壓信號,旁通閥泄壓;當前室余壓值小于25帕,發出信號關閉旁通閥;同理,當樓梯間余壓值大于50帕,旁通閥泄壓;當樓梯間余壓值小于40帕,旁通閥關閉,停止泄壓。
余壓監控系統的整個目的就是保持樓梯間和前室的余壓值維持在標準范圍內,阻擋有害煙氣進入的同時,確保防火門的正常開啟,保證生命通道的暢通。

